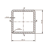
Труба

Цена по карте:
371a
Цена без карты:
390a



Цена по карте:
381a
Цена без карты:
401a


Цена по карте:
133a
Цена без карты:
140a


Цена по карте:
270a
Цена без карты:
284a





























